- Дополнительные сведения
- Конструкция и принцип действия
- Где и зачем применяется
- Магнитный пускатель и магнитный контактор
- Основные характеристики
- Как правильно подключить контактный блок?
- Принципиальное устройство
- Монтаж силового электрооборудования
- Схемы подключения потребителей и модульных контакторов
- Назначение контактора модульного
- Как подключить модульный контактор (+ схема подключения)
- Коммутация цепи кнопочным постом
- Схемы подключения магнитного пускателя на 220 В и 380 В + особенности самостоятельного подключения
- Описание и назначение
- Как работает
- Различия между коммутирующими устройствами
- Структура контактора
- Подготовка к подсоединению
- Назначение магнитных пускателей ПМЕ-211
- Нереверсивное подключение электродвигателя
- Нереверсивный запуск
- Остановка
- Защита двигателя при нереверсивном пуске
- Что такое модульный контактор и для чего он нужен
- Модульный контактор esb, abb, Шнайдер электрик и iek
- Схема подключения контактора abb esb 20-20 через выключатель
- Основные типы модульных контакторов
Дополнительные сведения
Принципиальной разницы между контактором и магнитным пускателем нет, и об этом уже было сказано выше. Их задача тоже одинаковая — дистанционное включение и выключение нагрузки. Схемы, в которых применяются эти разновидности коммутаторов, также идентичны. При описании схем используются некоторые специфические термины. Остановимся на них далее для полноты информации.

«Самоподхват». Это значит, что кнопка включения в кнопочной станции соединена параллельно с контактом, замыкающимся от действия катушки, питание которой начинается немедленно при нажатии на упомянутую кнопку. Самоподхват хотя и не упоминался ранее, но он присутствует в каждой из схем, показанных выше.
«Реверс». Схема с реверсом предусматривает получение из двух контакторов или магнитных пускателей переключение обмоток двигателя для изменения вращения его ротора на противоположное. Пример такой схемы приведен ниже.
Конструкция и принцип действия
Стандартная конструкция контактора включает в себя несколько основных деталей. Прибор состоит из корпуса (1), выводной клеммы катушки управления (2), клеммы силового контакта (3), неподвижного магнитопровода (4), подвижной части – сердечника (5), катушки управления (6), короткозамкнутого кольца магнитопровода (7), неподвижного и подвижного контактов (8 и 9), индикаторного рычага включения-выключения (10).

Катушка является основным элементом, создающим магнитный ток. Если она используется еще и в качестве дросселя, то с ее помощью возникает движущая сила, обеспечивающая работу приборов. Натяжение контактов фиксируется при помощи контактной пружины. Во время стыковки подвижный и неподвижный контакты соединяются между собой. Они постоянно находятся в движении и совершают определенные действия. Неподвижные контакты закрепляются на корпусе, а подвижные соединяются с сердечником.
Работа контактора происходит следующим образом:
- После подачи напряжения на управляющую катушку, происходит притягивание якоря к сердечнику. В результате, наступает замыкание или размыкание контактной группы, в соответствии с исходным положением того или иного контакта.
- После отключения питания все действия происходят в обратном порядке. Электрическая дуга, возникающая в момент размыкания, гасится при помощи дугогасительной системы.
- После прекращения подачи напряжения, электромагнитное поле исчезает и перестает удерживать якорь или сердечник.
- Возвратная пружина переводит контакты в исходное положение, полностью размыкая цепь. Таким образом, модульный контактор выполняет свою основную работу в периоды подачи и отключения напряжения.
Где и зачем применяется
Чаще всего используют модульный контактор при управлении и коммутации отопительного насоса и других разных устройств (к примеру, в системах вентиляции). Популярными и востребованными они стали при сборке щитов в квартире и различных системах автоматики. Например, управление светом, скважинным насосом, схема автоматического включения резерва и так далее. Почему? Потому что контактор превосходно вписывается с другими модульными устройствами, при этом, не нарушая эргономику в щите. Убедиться в этом вы можете, просмотрев наглядный пример на фото:

Стоит помнить, что сетевое напряжение должно быть не больше 380 Вольт при частоте 50 Гц. Но, не смотря на это, контактор может работать при высоких мощностях. Есть еще несколько плюсов данного прибора. Такие как практически полное отсутствие шума и вибрации, что довольно-таки положительно сказывается при их применении не только в домашнем щитке, но и в общественных местах (больница, квартира, школы, институты и так далее), так как другие коммутационные приспособления слишком восприимчивы к сильной вибрации.
Кстати, размер имеет значение. Ведь небольшой размер модульного контактора позволяет устанавливать его на din-рейку. В конструкции предусмотрены дугогасительные камеры для гашения дуги, которая возникает в процессе изменения нагрузки тока. Кроме того, бывают контакторы однофазные и трехфазные, что позволяет при этом подключиться к любой сети.
Более подробно узнать о модульных контакторах вы можете, просмотрев данное видео:
Магнитный пускатель и магнитный контактор
Отличие между магнитным пускателем и магнитным контактором в том, какую мощность нагрузки могут коммутировать эти устройства.
Магнитный пускатель может быть «1», «2», «3», «4» или «5» величины. Например пускатель второй величины ПМЕ-211 выглядит так:
Названия пускателей расшифровываются следующим образом:
- Первый знак П — Пускатель;
- Второй знак М — Магнитный;
- Третий знак Е, Л, У, А… — это тип или серия пускателя;
- Четвертый цифровой знак — величина пускателя;
- Пятый и последующие цифровые знаки — характеристики и разновидности пускателя.
Некоторые характеристики магнитных пускателей можно посмотреть в таблице
Отличия магнитного контактора от пускателя весьма условны. Контактор выполняет ту же роль, что и пускатель. Контактор производит аналогичные подключения, как и пускатель, только электропотребители имеют большую мощность, соответственно и размеры у контактора значительно больше, и контакты у контактора значительно мощней.Магнитный контактор имеет немного другой внешний вид:
Габариты контакторов зависят от его мощности. Контакты коммутирующего прибора необходимо разделять на силовые и управляющие. Пускатели и контакторы необходимо применять когда простые устройства коммутации не могут управлять большими токами. За счёт этого магнитный пускатель может размещаться в силовых шкафах рядом с силовым устройством, которые он подключает, а все его управляющие элементы в виде кнопок и кнопочных постов на включение могут размещаться в рабочих зонах пользователя. На схеме пускатель и контактор обозначаются таким схематичным знаком:
где A1-A2 катушка электромагнита пускателя;
L1-T1 L2-T2 L3-T3 силовые контакты, к которым подключается силовое трехфазное напряжение (L1-L2-L3) и нагрузка (T1-T2-T3), в нашем случае электродвигатель;
13-14 контакты, блокирующие пусковую кнопку управления двигателем.
Данные устройства могут иметь катушки электромагнитов на напряжения 12 В, 24 В, 36 В, 127 В, 220 В, 380 В. Когда требуется повышенный уровень безопасности, есть возможность использовать электромагнитный пускатель с катушкой на 12 или 24 В, а напряжение цепи нагрузки может иметь 220 или 380 В
Важно знать, что подключенные пускатели для подключения трехфазного двигателя способны обеспечить дополнительную безопасность при случайной потере напряжения в сетях. Это связано с тем, что при исчезновении тока в сети, напряжение на катушке пускателя пропадает и силовые контакты размыкаются
А когда напряжение возобновится, то в электрооборудовании будет отсутствовать напряжения до тех пор, покуда кнопку «Пуск» не активируют. Для подключения магнитного пускателя имеется несколько схем.
Основные характеристики
На самом аппарате вы найдете несколько отметок, которые, в свою очередь означают номинальный ток, количество контактов и их тип. На данный момент можно выбирать среди 25 вариантов и моделей подобного устройства. При этом их масса будет отличаться
Выбирая подходящий вариант, стоит обращать внимание на все эти показатели, потому что номинальный ток контактов и номинальное напряжение должно соответствовать области применения. Для примера рекомендуем ознакомиться с характеристиками аппаратов в таблице:

Вот мы и рассмотрели принцип работы, назначение и устройство контакторов. Надеемся, предоставленная информация была для вас интересной и полезной!
Будет интересно прочитать:
- Как работает магнитный пускатель
- Отличие контактора от пускателя
- Как сделать автоматические гаражные ворота
Как правильно подключить контактный блок?
Установка данного блока происходит на верхней части контактора, где имеются специальный разъемы с зацепами.
Рис. 2 Полозьями для зацепа на КБ
Рабочая схема имеет в наличии две пары замкнутых контактов, а также две пары коннекторов разомкнутых.
Рис. 3 Схемы разомкнутых и замкнутых контактов
Нормально разомкнутый контакт (NO) – при неработающем состоянии всегда находится в разомкнутом положении (пара 1-2). Следовательно, для прохождения по нему тока, необходимо его замыкание.
Нормальный замкнутый контакт (NC) – его нерабочее положение является замкнутость коннекторов (пара 3-4). В данной ситуации при размыкании контакта, через магнитный пускатель ток будет отсутствовать.
ПМ представляет собой конструкцию, состоящую из двух базовых фрагментов:
- верхняя;
- нижняя.
Рис. 4 Основные фрагменты МП
Верхняя часть – движущаяся контактирующая система, камера дугогасительная и двигающийся элемент магнита электрического, связанный с коннекторами подвижной областью механизма.
Нижняя часть – являет собой обмотку, пружину возвратную и второй фрагмент корпуса магнита.
Рис. 5 Нижняя область магнита
Роль пружины заключается в возврате исходного положения верхней области устройства, таким образом при отсутствии контакта магнитного коннектора, ток в обмотке отсутствует.
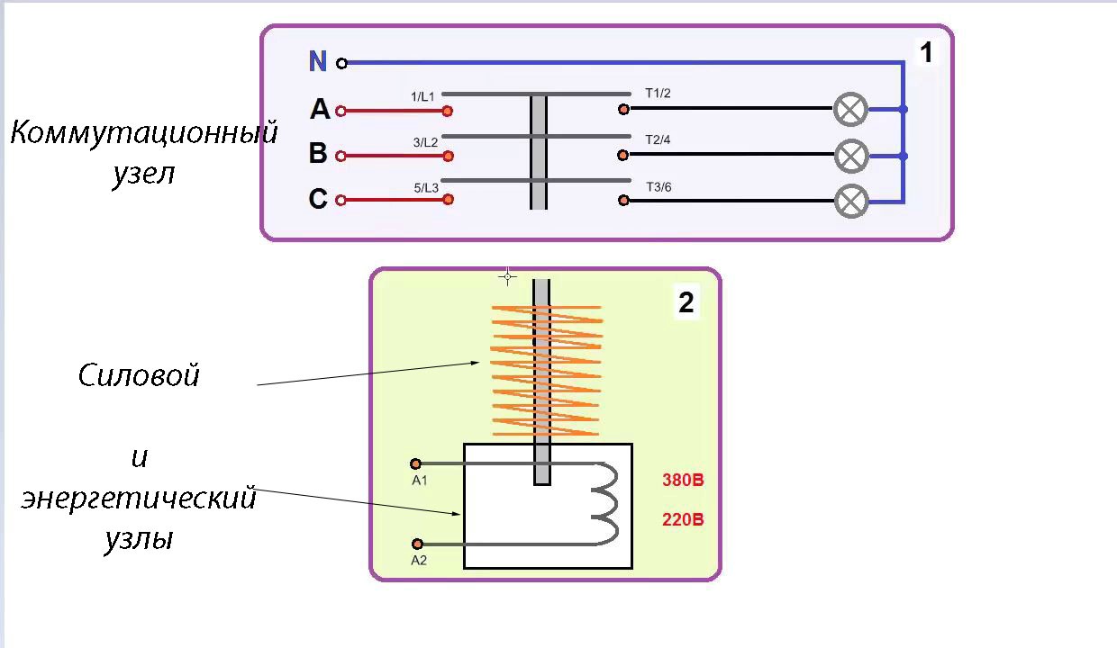
Принципиальное устройство
Контактор состоит из нескольких узлов:
- Энергетического.
- Силового.
- Коммутационного.
Энергетический узел обеспечивает формирование электромагнитного поля, достаточного для получения определенной однонаправленной силы. Это поле появляется как следствие протекания электрического тока через катушку с сердечником. Его форма делается либо П-, либо Ш-образной, в зависимости от конструкции этого коммутационного изделия.
Силовые линии магнитного поля наиболее сконцентрированы вблизи сердечника, и поэтому силовой узел выполнен так, чтобы воздействие на него со стороны энергетического узла получилось максимальным. Для более равномерного усилия, возникающего при протекании через катушку переменного тока, в ней делается короткозамкнутый виток. Он играет роль демпфера, который препятствует дребезгу контактов с частотой 50 Гц. Если катушка питается постоянным током, на ее сердечнике располагается диэлектрическая прокладка для предотвращения слипания намагнитившихся деталей.
Силовой узел содержит подвижный подпружиненный ферромагнитный элемент — якорь, который притягивается к неподвижному сердечнику катушки, передавая силу коммутационному узлу. В нем расположены контакты. Их число может быть различным, в зависимости от конструкции контактора. Для управления электродвигателями в трехфазных сетях контактов бывает три-четыре — одинаковых по своим характеристикам. Но могут быть и дополнительные маломощные контакты, используемые для управления вспомогательными элементами схемы.
Расположение дополнительных контактов определяют отличие контактора от магнитного пускателя. Они располагаются в группе с основными контактами, а не сбоку, как в магнитном пускателе.
Кроме контактов в коммутационном блоке расположены камеры для гашения электрической дуги.

Монтаж силового электрооборудования
Силовое электрооборудование представляет собой низко- и высоковольтные устройства, линии и вспомогательные изделия, предназначенные для производства, трансформации, передачи,
распределения и преобразования электрической энергии в необходимый вид энергии. По назначению силовые установки бывают бытовые и промышленные. Характеризуют их и по напряжению – до 1000 В и выше. Они могут быть стационарной установки и мобильные. По конструкции они могут быть комплектными и индивидуальными. По месту расположения – отдельно стоящие и встроенные.
Все они представляют при неумелом обращении опасность для человека. Их монтаж должен выполняться с учетом особых требований. Они могут монтироваться на существующих объектах, вновь строящихся, находящихся на ремонте. Монтаж силового электрооборудования должен выполняться только электромонтажниками, специализирующимися на конкретном виде монтажа. Перечень работ, осуществляемый ими довольно обширный:
- монтаж силовых линий;
- установка внутренних систем электроснабжения;
- монтаж этажных и индивидуальных щитов, вводно-распределительных устройств, пунктов распределения;
- монтаж изделий и оборудования электроосвещения в помещениях и на улице;
- установка трансформаторных подстанций;
- установка резервных источников питания;
- подключение различного оборудования к электрическим сетям энергопередающих компаний.
Схемы подключения потребителей и модульных контакторов
В соответствии с типом используемого электрооборудования, в каждом случае предусмотрена индивидуальная схема подключения модульного контактора. Наибольшее распространение получил стандартный вариант, где используется всего один прибор, а также схемы – реверсивная и с подключением однофазных потребителей. Каждую из них следует рассмотреть подробнее.

Самая популярная схема – подключение трехфазного электродвигателя через контактор модульный КМ (рис. 1). Для управления используются обычные кнопки ПУСК и СТОП. Защита от перегрузок осуществляется с помощью теплового реле. На случай коротких замыканий электрическая цепь оборудуется автоматическим выключателем.
Другая схема – реверсивная (рис. 2), используется при подключение модульного контактора к электродвигателю, чтобы появилась функция реверса. Она постоянно необходима в различных подъемных механизмах, станках и другом оборудовании. В этом случае выполняется подсоединение еще одного коммутирующего устройства. Оно участвует в изменении мест двух фаз, что приводит и к изменению направления вращения вала. Данная схема также дополнена защитными средствами – тепловым реле и автоматическим выключателем.

Основное назначение контакторов в третьей схеме, заключается в работе с однофазными потребителями. Как правило, это системы освещения, электрические насосы и другое оборудование, функционирующее с одной фазой.
Назначение контактора модульного
Главное предназначение контактора заключается в регулярном или частом отключении и включении цепей электрического тока. Возможность делать такие манипуляции в дистанционном режиме позволяет использовать такие приспособления в коммунальных целях (фонари, лифты), вентиляционных системах, системах отопления и водоснабжения. Также аппаратура подобного рода применяется в электротранспорте: электричках, трамваях, троллейбусах.
Прибор в разобранном виде
Несмотря на столь широкую сферу применения, подобные устройства обладают рядом видов, которые используются в строго регламентированных целях. К примеру, электромагнитный пускатель — одна из разновидностей контактора, применяемая только для запуска электрических двигателей переменного тока. Также тепловое защитное реле — еще один вид контактора — применяется для защиты двигателей от перегревов.
Как подключить модульный контактор (+ схема подключения)
Подключаться такие приборы могут разными способами. Все зависит от требований безопасности, характеристик сети и желаемого результата. Выделяют такие наиболее популярные схемы:
- реверсивные;
- простые (используется один контактор для соединения);
- однофазные.
Есть ряд ошибок, которые допускают неопытные электрики:
нежелание устанавливать в сеть защитные средства автоматики;
наличие ненужных элементов на реверсивной схеме;
нарушение мер предосторожности и безопасности;
подбор МК, несоответствующих характеристикам сети.
Схема простого подсоединения
МК — это незаменимая в электрике вещь. Кто-то скажет, что это простой переключатель, но это не так. Контакторы обладают более продуманной конструкцией, которая является безопасной и стойкой к перепадам напряжения.
Коммутация цепи кнопочным постом
Представленная схема, рассматривающая, как подключить контактор, дополнена вспомогательными кнопочными элементами с функциями пуска и отключения. Обе пусковые кнопки подключаются параллельно, а кнопки остановки – последовательно. При таком соединении коммутация может выполняться с какого угодно поста.
Как правило, в этих кнопках используются две пары контактов – нормально-замкнутого и нормально-разомкнутого типа. Работа данной системы происходит следующим образом. Питание на кнопки поступает с силовых контактов прибора (1). Далее, через кнопку СТОП (2) по нормально замкнутому контакту и перемычке напряжение подходит на кнопку ПУСК (3). После нажатия на нее происходит замыкание нормально-разомкнутого контакта (4). Напряжение доходит до катушки (5) и после ее срабатывания начинается втягивание сердечника. Силовые контакты начинают двигаться и соединяются друг с другом.
Шунтирование контактов пусковой кнопки (4) осуществляется при помощи подсоединения вспомогательного блок-контакта (6). За счет этого магнитный контактор остается включенным, даже если пусковая кнопка отпущена. После нажатия кнопки остановки (7), напряжение с катушки снимается и устройство отключается.

Реверсивный контактор

Модульный контактор (КМ)

Схема подключения магнитного пускателя

Контакторы и магнитные пускатели: сходства и различия

Схема реверсивного пускателя

Контакторы электромагнитные
Схемы подключения магнитного пускателя на 220 В и 380 В + особенности самостоятельного подключения
При отсутствии питания пружины отжимают верхнюю часть магнитопровода, контакты находятся в исходном состоянии. При появлении напряжения нажали кнопку пуск, например катушка генерирует электромагнитное поле, которое притягивает верхнюю часть сердечника. При этом контакты меняют свое положение на фото картинка справа. При пропадании напряжения электромагнитное поле тоже исчезает, пружины отжимают подвижную часть магнитопровода вверх, контакты возвращаются в исходное состояние.
Описание и назначение
Современные устройства серии КМИ обладают неплохими показателями надёжности и предназначены для общепромышленного применения. Благодаря своей конструкции имеют лёгкий способ крепления и небольшие габариты.

При подаче напряжения на катушку электромагнита подвижная часть аппарата под воздействием электромагнитных сил приводится в движение и притягивается к неподвижной части. При этом происходит замыкание силовых контактов и подача напряжения на исполнительный механизм. И также при этом происходит движение и блок-контактов которые могут быть замыкающими или размыкающими.
Как работает
При подключении контактора сразу нужно определиться с механизмом, который он будет включать. Это может быть двигатель, насос, вентилятор, нагревательные элементы, компрессоров и т.
Главной особенность контактора, отличающего его от автомата, является отсутствие всякой защиты.
Магнитный пускатель — устройство, отвечающее за бесперебойную и соответствующую требованиям стандартов работу оборудования. С его помощью осуществляют распределение питающего напряжения и управляют работой подключенных нагрузок. Чаще всего через него подают питание на электродвигатели.
Поэтому продумывая цепи включения электрооборудования через контактор обязательно необходимо учесть ограничивающие ток и нагрев элементы. Для ограничения и отключения оборудования при коротких замыканиях и превышающих во много раз номинал нагрузках используются предохранители и автоматы.
Различия между коммутирующими устройствами
Варианты работы через контактор позволяют работать и с другими нагрузками, если их параметры соответствуют конкретному потребителю. Конструктивно, контактор считается разновидностью обычного пускателя и лишь незначительно отличается от него некоторыми техническими характеристиками.
Основная функция обоих коммутирующих приборов заключается в приведении в движение контактов в высоковольтных и обычных сетях. Основой каждого прибора служит электромагнит. Все типы подобной аппаратуры могут работать с постоянным (10-440 В) или переменным током (до 660 В). Во всех устройствах имеются силовые или рабочие контакты, обеспечивающие подачу напряжения к подключенному оборудованию. В управляющих, сигнальных и блокировочных цепях выполняется дополнительный монтаж вспомогательных контактов.
Имеются и другие различия, присущие каждому аппарату. Все магнитные пускатели помещаются в корпус из прочного пластика, а снаружи находятся лишь площадки контактных подвижных групп. Большинство контакторов, наоборот, выпускаются без корпуса, их монтаж производится в местах, защищенных от попадания пыли, загрязнений и влаги на открытые токоведущие части. Обеспечивается и защита от неосторожных касаний опасных зон.
Коммутационные устройства отличаются своим предназначением. С помощью контактора малой мощности или же магнитных пускателей, приводятся в рабочее положение трехфазные электродвигатели, поэтому они оборудованы тремя парами основных контактов, позволяющих соединяться с тремя фазами. Пара со вспомогательной функцией обеспечивает энергией агрегат после отключения кнопки запуска. Благодаря своим свойствам, магнитные пускатели совместно применяются не только с электродвигателями, но и в освещении, а также с прочей аппаратурой и оборудованием. Из-за минимального количества различий, на рынке электротоваров пускатели получили название малогабаритных контакторов.
Структура контактора
Как работает прибор, уже было описано, но для понимания его принципа действия необходимо изучить строение аппарата. Сам он включает несколько основных частей. Сначала стоит разобрать катушку. Ее цель — создание магнитных токов. Если вместо катушки применяется дроссель, то это дополнительно создает движущие силы, которые нужны для работы электроприборов.
Обратите внимание! Если производится замена детали, то важно учесть ее напряжение, а также проследить, чтобы она не касалась никаких подвижных деталей, а при соприкосновении якоря и сердечника не было никаких зазоров. Модульный контактор 3-фазный
Модульный контактор 3-фазный
Еще один модуль контактора — подвижный. Он состоит из специальных токопроводящих контактов, которые совершают действие путем своего передвижения. Также имеются и контакты замыкающего типа. Именно с ними соприкасаются подвижные элементы для пропускания электрического тока. Две этих детали можно объединить в одну контактную схему.
Важно! Если прибор находится в режиме работы, то его контакты замкнуты. Состоянием его покоя называют ситуацию, когда замыкающие и подвижные контакты разъединены
Подготовка к подсоединению
Схема подключения контактора находится в прямой зависимости от оборудования, с которым ему предстоит действовать. Помимо двигателей, в этом качестве выступают всевозможные вентиляторы и насосы, компрессоры, элементы нагревательных приборов и прочие устройства. Следует учесть специфику контакторного аппарата, который, по сравнению с автоматами, не оборудован какой-либо защитой. Поэтому, при разработке сетей, задействованных для подключения оборудования, обязательно учитываются факторы, влияющие на токовые показатели и степень нагрева.
Дополнительно необходимо продумать защитные мероприятия на случай коротких замыканий и нагрузок, многократно превышающих номинал контактора. Данная проблема решается путем установки предохранителей. В эту категорию входит автоматический выключатель, а также тепловые реле, защищающие оборудование от длительных превышений токовых номиналов и перегрева.
Перед подключением нужно выяснить, какие контакты являются основными, а которые из них выполняют вспомогательную функцию. Каждая катушка включения отличается собственными номинальными токами и напряжениями, указанными в маркировке.
Отдельные особенности существуют при установке и соединении модульного аппарата, представляющего разновидность обыкновенного коммутационного прибора. Такой контактор на схеме применяется для включения и отключения на расстоянии аппаратуры, установленной в распределительных щитках, в том числе и АВВ. Отсюда следует, что при вводе в действие модульного контактора питание поступает к определенной группе автоматов, подключенных к определенным цепям. Устройства этого типа успешно функционируют со всеми видами токов.
Назначение магнитных пускателей ПМЕ-211
Прямое и наиболее распространённое назначение магнитных пускателей – это запуск мощных трёхфазных электрических двигателей. Используя несколько пускателей, можно получить схему реверса. При таком подключении в работе участвуют два прибора. Направление вращения двигателя будет зависеть от того, какой именно включен в данный момент. Подобные сборки продаются и в готовом виде. Для них обязательно наличие механической или электрической блокировки. Эта система исключает одновременное включение обоих пускателей. В противном случае произойдёт межфазное короткое замыкание, что чревато выходом из строя оборудования. С применением ПМЕ 211 схема подключения реверса приведена ниже.
Схема реверса
Дополнительная информация. Направление вращения асинхронного двигателя зависит от порядка чередования фаз. Т.е., если поменять местами две любые из них (L1 и L3 или L1 и L2), то привод начнёт движение в другую сторону. На этом свойстве двигателей основана работа схемы реверса. При включении 1-го пускателя имеется один порядок фаз, при включении 2-го – другой.
Ещё одно соединение пускателей – трёхфазная защита двигателя. Она обеспечивает безопасную работу последнего. Для питания электрического двигателя необходимо наличие трёх фаз, т.е. L1, L2 и L3. В случае пропажи одной из них, например, из-за обрыва кабеля или обгоревших контактов пускателя, обмотки привода неминуемо выйдут из строя. Для предотвращения подобной внештатной ситуации применяется схема на трёх магнитных пускателях. Она собрана таким образом, что при пропаже любой из трёх фаз оставшиеся две автоматически отключаются. Двигатель при этом просто останавливается, но остаётся рабочим.
Нереверсивное подключение электродвигателя
Сначала следует рассмотреть относительно простой вариант, когда электрический двигатель выполняет свои функции с вращением только в одном направлении. Такие решения вполне достаточны для насосных станций, компрессорных установок.
Типовая нереверсивная схема
В этом варианте подключен трехфазный источник питания 220 V последовательно через автомат и магнитный пускатель «КМ». Реле «Р» в нулевой цепи обеспечивает защиту при чрезмерном нагреве силового агрегата. Второй контакт обмотки пускателя подсоединен к одной из фаз «С» через плавкий предохранитель «FU», ограничивающий силу тока. Двумя кнопками устанавливают соответствующие режимы: «Пуск» и «Стоп».
Нереверсивный запуск
Включение автомата – подготовительный этап. Электродвигатель начинает вращение после нажатия кнопки «Пуск». Это действие подключает питание обмоток. Силой магнитной индукции якорь перемещается в нужное положение. Комбинированный контактор пускателя подает напряжение на рабочие обмотки. В этом положении шунт замыкает вспомогательную цепь, что сохраняет питание силового агрегата в рабочем режиме при отжатой кнопке.
Остановка
Для остановки нажимают «Стоп». В этом положении отключается питание катушек пускателя. Пружина перемещает якорь в исходное положение с одновременным размыканием силовых контактов.
Защита двигателя при нереверсивном пуске
При попадании в механический привод посторонних предметов ток в обмотках двигателя увеличивается. Нагрев изгибает биметаллические элементы теплового реле. На определенном уровне повышения температуры цепь нулевого провода разрывается. Контактные группы «КМ» возвращаются в исходное положение. Плавкий предохранитель выполняет свои функции при коротком замыкании между витками катушки индукции магнитного пускателя.
Что такое модульный контактор и для чего он нужен
По своему функциональному назначению контактор модульный КМ относится к коммутационной аппаратуре дистанционного управления мощными нагрузками, работающими при постоянном или переменном токе. Они выполняют разрыв токовых цепей сразу в нескольких местах, и этим отличаются от электромагнитных реле, разрывающих цепь лишь в одной точке.
Довольно часто модульные контакторы работают совместно со вспомогательными устройствами – приставками, тепловыми реле, средствами блокировки и другими приборами модульного типа. В результате таких сочетаний получается аппаратура, обладающая особыми свойствами и способная выполнять заданные функции. Так, при установке модуля задержки, получается контактор с функцией задержки, а тепловое реле перегрузки переводит контактор в категорию магнитного пускателя.

С помощью вспомогательных элементов существенно расширяются возможности основных приборов, улучшаются их эксплуатационные характеристики, упрощается монтаж.
По своей сути контакторные устройства считаются модифицированными разновидностями пускателя, в котором дополнительно присутствуют тепловое реле и контактная группа для запуска электродвигателя. Электромагнитные пускатели низкого напряжения реверсивными и нереверсивными. Первый вариант включает в себя два одинаковых контактора, с одним и тем же номинальным током. В нем установлена блокировка механического или электрического типа, предотвращающая одновременное замыкание главных контактов.
Защитные функции в этих приборах выполняют электротепловые токовые реле и другие аналогичные устройства. Электрический контактор малой мощности, используется в качестве промежуточного реле. Он предназначен для слаботочных цепей и отличается большим числом коммутаций. С помощью этого прибора удается подключить множество дополнительных участков и контролировать их включение-выключение.
Модульный контактор esb, abb, Шнайдер электрик и iek
Контакторы, в большинстве случаев, корпуса не имеют, потому должны устанавливаться в защитных корпусах или боксах, которые защитят от случайного прикосновения к токоведущим частям, а также от дождя и пыли. Кроме того, есть некоторое отличие в назначении. Пускатели предназначены для запуска асинхронных трехфазных двигателей.
Приспособления, на фото модульных контакторов, предназначены для схемы электроцепей, которыми они управляют удаленно. Если рассматривать, какие модели сейчас лидируют по популярности, то сегодня в основном применяют электромагнитные устройства, работающие бесшумно и без вибрации при переключении режимов. Классификация по числу полюсов: С одним; С двумя; С тремя; С четырьмя. Существуют также и другие классификации по силе тока, области применения и изностойкости, оборудование, работающее в диапазоне Ампер, рассчитано на миллионы циклов. Краткое содержимое статьи:.
Но так как подобный алгоритм работы подходит для многих устройств, то подключают через них самые разнообразные устройства — цепи освещения, различные устройства и приборы. Основа пускателя — магнитопровод и катушка индуктивности. Магнитопровод состоит из двух частей — подвижной и неподвижной.
Схема подключения контактора abb esb 20-20 через выключатель
Чем отличаются контакторы и пускатели. В первую очередь они отличаются степенью защиты. Контакторы имеют мощные дугогасительные камеры. Отсюда следуют два других отличия: из-за наличия дугогасителей контакторы имеют большой размер и вес, а также используются в цепях с большими токами.
На малые токи — до 10 А — выпускают исключительно пускатели.

Они, кстати, на большие токи не выпускаются. Внешний вид не всегда так сильно отличается, но бывает и так. Есть еще одна конструктивная особенность: пускатели выпускаются в пластиковом корпусе, у них наружу выведены только контактные площадки.
Основные типы модульных контакторов
Пускатель. В этом приборе предусмотрено наличие вспомогательных контактов, специального реле, системы автозапуска, при этом автоматическая система может также подразделяться на реверсивную, нереверсивную, предусматривающую и не предусматривающую переключение обмоток.

Магнитный пускатель. Устройство представляет собой трехполюсный контактор, он оснащается двумя реле, которые служат для надежной защиты.


Промежуточное реле – этот прибор обладает малой мощностью, он позволяет увеличивать число контактов в цепях, в которых сравнительно слабый ток.

Производители маркируют свою продукцию по-разному, у каждого бренда имеется собственная структура обозначений
Выбирая модель, обращайте внимание на ее предназначение, так, МК, выпускаемые АВВ, идеально подходят для автоматизации систем оборудования в зданиях
Контакторы с серийными обозначениями MF или MT используются для силовых цепей или цепей управления, а когда требуется аппарат для дистанционного управления, лучше остановить выбор на устройствах КМЭ.

























































