- Как можно измерить переменное напряжение
- Передача тока
- Что такое переменный ток: определение
- Какой ток в 220В и больше
- Разновидности прибора
- Преимущества постоянного тока
- Практическое значение различий
- Виды тока
- Несколько советов по выбору розеток УЗО и АВ
- Обобщенные определения
- Виды электрического тока в быту
- Постоянный ток
- Переменный ток
- Параметры домашней электрической сети
- Что такое электрический ток
- В розетке постоянный или переменный ток?
- Виды тока.
- Параметры домашней электрической сети.
- Токовая нагрузка.
- Методы измерения напряжения и тока.
- Методы измерения напряжения и тока
- В чём разница переменного и постоянного тока
- Требования к штепсельным соединениям
- Параметры для измерения
Как можно измерить переменное напряжение
Изменять непостоянную напряженность сети, как и любые другие электрические характеристики сети, можно с помощью специальных измерительных приборов: вольтметров, амперметров, омметров. Современные тестеры и мультиметры содержат в себе функции их всех, поэтому лучше пользоваться ими. Для того чтобы измерить параметр, следует следовать инструкции:
Найти шкалу измерения на приборе, которая чаще всего находится справа.
Выставить предел измерения, зная, что, например, в розетке приблизительно 220 вольт.
Взять щупы и вставить их в источник
При этом неважно, какой щуп куда будет вставлен.
Произвести измерения с учетом техники безопасности.
Зафиксировать полученные показатели.
Таким образом, отличие постоянного напряжения от переменного есть, и оно существенное. На основании постоянных и непостоянных токовых сил изготовлены генераторы, конвертирующие механическую энергию в электрический ток различных видов, который можно быстрее и дальше подать по проводам.
Передача тока
Источники переменного тока – обычные розетки. Они располагаются на объектах разнообразного назначения и в жилых помещениях. К ним подключаются различные электрические приборы, которые получают необходимое для их работы напряжение.
Использование переменного тока в электрических сетях является экономически обоснованным, поскольку величина его напряжения может преобразовываться
к уровню необходимых значений. Совершается это при помощи трансформаторного оборудования с допускаемыми незначительными потерями. Транспортировка от источников электроснабжения к конечным потребителям является более дешевой и простой.
Передача тока к потребителям начинается непосредственно с электростанции, где используется разновидность чрезвычайно мощных электрических генераторов. Из них получают электрический ток, который по кабелям направляется к трансформаторным подстанциям. Зачастую подстанции располагают неподалеку от промышленных либо жилых объектов электрического потребления. Полученный подстанциями ток преобразуется в трехфазное переменное напряжение.
В батарейках и аккумуляторах содержится постоянный ток
, который отличается устойчивостью свойств, т.е. они не изменяются со течением времени. Он используется в любых современных электрических изделиях, а еще в автомобилях.
Что такое переменный ток: определение
Этот термин слышал каждый, а вот что он означает, знают не все. Переменным называется хаотичное движение заряженных частиц, меняющее свою полярность от плюса к минусу с определенной частотой, которая измеряется в герцах (Гц). Если нарисовать график, то подобная величина будет выглядеть как синусоида, периодически пересекающая ось координат «Х». Если же говорить о трехфазном токе, то он протекает не по одному проводнику, а по трем. Синусоиды фаз в идеале совершенно идентичны, но сдвинуты во отношению друг к другу на 120 градусов.
Переменный ток встречается повсеместно. Он вырабатывается на электростанциях генераторами с различными приводами. Такой ток прост в передаче на различные расстояния и из него довольно просто получить постоянный, чего не скажешь об обратной трансформации. Для «транспортировки» с наименьшими потерями напряжение повышается до 25 кВ, вследствие чего, по законам физики, снижается сила тока, измеряемая в амперах (А). Когда он достигает нужной точки, то попадает на первичную трансформаторную подстанцию. На ней напряжение понижается до 6 кВ и отправляется дальше. Последний трансформатор еще понижает напряжение до привычных 0.4 кВ (400В). Именно этот ток по трем фазам попадает в многоквартирные дома. Здесь фазы равномерно распределяются, в результате чего в каждое жилище подводится 1 фаза, способная обеспечить помещения электрическим напряжением 220 В.
Так какой ток в розетке? Конечно же, переменный. Именно на нем работает практически вся бытовая техника. Если же устройству требуется постоянный ток, используются специальные трансформаторы с выпрямителями (диодными мостами), которые называются адаптерами. Подобными блоками питания часто оборудуются телевизоры, компьютеры, музыкальные центры.
Какой ток в 220В и больше
Значение проходящей электроэнергии из розетки определяется в Амперах, при этом напряжение на выходе составляет 220 В. Получается, что сила тока – физическая величина, равная отношению заряда, который проходит через проводник за определенное время. Если к розетке нет подключения, то электрическая цепь считается разорванной.
Электрооборудование
Когда проводка не защищена автоматикой, то мощность находится под контролем, поэтому значение Ампер в розетке разное при напряжении 220В. Показатель силы в этом случае постоянно растёт до тех пор, пока электрическое оборудование не выйдет из строя.
Профессионалы советуют выбирать розетки на 16 и более Ампер, так как они надежнее, проводка выполняется из кабеля на 2,5 мм2. При выборе розетки, рассчитанной на меньшее количество Ампер, защита может не срабатывать, что нередко приводит к авариям на линии.
Разновидности прибора
Мультиметр (мультитестер) представляет собой прибор для замеров самых разных параметров электросети, а также других питающихся от нее элементов.
Устройство позволяет с высокой точностью установить такие характеристики сети, как напряжение, ток, сопротивление и целый ряд других данных. Мультитестер дает возможность также проверять транзисторы, выполнять «прозвон» кабелей и проводов, тестировать диоды и т.п.

С точки зрения исполнения самого прибора выделяют аналоговые и цифровые мультиметры. Приборы отличаются по функциональным характеристикам, точности работы, качеству изготовления, комплектации.
Аналоговые тестеры нередко именуют вольтметрами или амперметрами, так как такие приборы обычно настроены на выполнение 2-3 функций и не более того. Аналоговые устройства показывают результаты измерений обычной стрелкой на шкале. Такая техника довольно сложна в эксплуатации, требует определенного опыта. Новичок далеко не сразу разберется со всеми имеющимися шкалами, чтобы определить конечное значение электрических данных. К тому же, аналоговое оборудование не способно фиксировать стрелку на позиции, что затрудняет работу с ним.
Цифровое устройство выдает результаты замеров в электронном виде (на жидкокристаллический монитор). Прибор прост в эксплуатации и резко уменьшает участие человеческого фактора, а значит и ошибки в измерениях. Простота и точность показаний сделали цифровые устройства самыми популярными на рынке.

Преимущества постоянного тока
- Главное преимущество электрической энергии постоянного тока – это отсутствие реактивной мощности. А это значит, что вся мощность, выработанная генератором, потребляется нагрузкой за вычетом потерь в проводах.
- Постоянный ток в отличие от переменного протекает по всему сечению проводника.
Указанные два пункта приводят к тому, что если передавать одну и ту же мощность при равных напряжениях постоянным и переменным токами, то потери мощности электроэнергии постоянным током были бы почти в два раза меньше, чем при переменном токе.
К тому же, если рассматривать такие бытовые электронные устройства как ноутбуки, компьютеры, телевизоры и т. п., то все они имеют блоки питания, преобразующие переменное напряжение 220 В (230 В) в постоянное напряжение более низкой величины. А такие преобразования связаны с частичной потерей мощности.
Кроме того, как было сказано ранее, трехфазный асинхронный двигатель (АД) можно подключить напрямую к сети 380 В, что вполне оправдано в том случае, когда не требуется изменять режим работы двигателя. Но если необходимо изменять частоту вращения его вала, то нужно на обмотки статора подавать напряжение, частота и амплитуда которого должны изменяться пропорционально, согласно закону Костенка. Для этого применяют трехфазные автономные инверторы (АИ), чаще всего инверторы напряжения. Такие инверторы должны получать питание от источника постоянного напряжения.
Также следует заметить, что последним временем начали очень широко применяться солнечные батареи, которые вырабатывают постоянный ток. К тому же, значительно возросла мощность аккумуляторных батарей и повысилась емкость суперконденсаторов, которые также относятся к источникам постоянного тока и с каждым днем находят все большее практическое применение.
Практическое значение различий
Вот такой он, переменный и постоянный ток. В чем разница, разобраться не так уж сложно. Различие есть и очень большое. Источник постоянного тока не позволит подключить сварочный, да и любой другой, трансформатор. При расчёте изоляции или конденсаторов на пробой берётся не действующее, а максимальное значение напряжения. Ведь наверняка может возникнуть мысль: «а зачем в сети 220 вольт конденсаторы на 400?». Вот и ответ, в сети 220 В напряжение доходит и до 380 В при нормальной работе, а при небольшом сбое и 400 В не предел.
Люди давно привыкли к благам электричества и многим все равно, какой ток в розетке. На планете 98% вырабатываемой электроэнергии – это переменный ток. Его намного легче производить и передавать на значительные расстояния, чем постоянный. При этом напряжение может многократно изменяться по величине в сторону понижения и повышения. Сила тока существенно влияет на потери в проводах.
Передача электроэнергии на расстояние
Параметры домашней сети всегда известны: переменный ток, напряжение 220 вольт и частота 50 герц.
Они подходят преимущественно для электродвигателей, холодильников и пылесосов, а также ламп накаливания и многих других приборов. Многие потребители работают при постоянном напряжении в 6-12 вольт. Особенно это относится к электронике. Но питание приборов должно приводиться к одному типу. Поэтому для всех потребителей ток в розетке должен быть переменным, с одним напряжением и частотой.
Виды тока
Существует два вида тока — постоянный и переменный. Чтобы понять разницу и определить, постоянный или переменный ток находится розетке, следует вникнуть в некоторые технические особенности. Переменный ток имеет свойство изменяться по направлению и величине.
Постоянный же ток обладает устойчивыми качествами и направлением передвижения заряженных частиц.

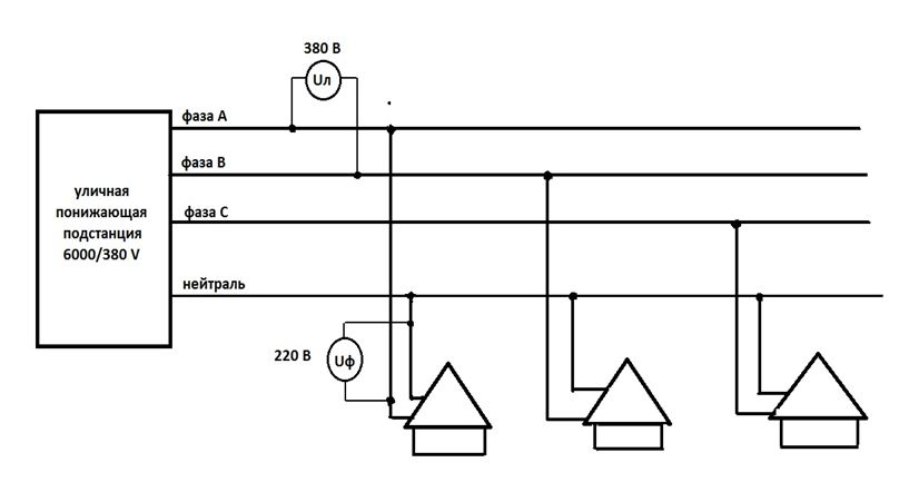
Переменный ток выходит из генераторов электростанции с напряжением, составляющим 220–440 тысяч вольт. При подходе к многоквартирному зданию ток уменьшается до 12 тысяч вольт, а на трансформаторной станции преобразуется в 380 вольт. Напряжение между фазами именуют линейным. Низковольтный участок понижающей подстанции выдает три фазы и нулевой (нейтральный) провод. Подключение энергопотребителей осуществляется от одной из фаз и нулевого провода. Таким образом, в здание заходит переменный однофазный ток с напряжением 220 вольт.
Схема распределения электроэнергии между домами представлена ниже:

В жилище электричество поступает на счетчик, а далее — через автоматы на коробки каждого помещения. В коробках имеется разводка по комнате на пару цепей — розеточную и осветительной техники. Автоматы могут предусматриваться по одному для каждого помещения или по одному для каждой цепи. С учетом того, на сколько ампер рассчитана розетка, она может быть включена в группу или быть подключенной к выделенному автомату.
Переменный ток составляется примерно 90% всей потребляемой электроэнергии.
Столь высокий удельный вес вызван особенностями этого вида тока — его можно транспортировать на значительные расстояния, изменяя на подстанциях напряжение до нужных параметров.
Источниками постоянного тока чаще всего являются аккумуляторные батареи, гальванические элементы, солнечные панели, термопары. Постоянный ток широко используется в локальных сетях автомобильного и воздушного транспорта, в компьютерных электросхемах, автоматических системах, радио- и телевизионной аппаратуре. Постоянный ток применяется в контактных сетях железнодорожного транспорта, а также на корабельных установках.
На схеме, представленной ниже, показаны принципиальные отличия между постоянным и переменным токами.

Несколько советов по выбору розеток УЗО и АВ
Первым делом следует выписать отдельно мощности всех бытовых приборов, разделив их на группы, от которых они будут запитаны. Вычислив, какой ток в розетке будет максимальным, можно определить параметры автоматического выключателя и УЗО, требуемого для конкретной линии. Если планируется общее устройство защитного отключения, то все показатели силы тока складываются. Такое вполне допустимо, но следует помнить, что на каждую группу должен стоять отдельный автоматический выключатель. Он устанавливается после УЗО, которое запитывается от прибора учета электроэнергии. Здесь между счетчиком и устройством защитного отключения необходима установка общего автомата. Он защитит УЗО в случае короткого замыкания или нагрева проводки. Еще одно место обязательной установки автоматического или пакетного выключателя – перед электросчетчиком. Им пользуются в случае необходимости замены или обслуживания прибора учета.
Обобщенные определения
Физический процесс, при котором заряженные частицы движутся упорядоченно (направленно), называется электротоком. Его принято разделять на переменный и постоянный. У первого направление и величина остаются неизменными, а у второго эти характеристики меняются по определенной закономерности.
Приведенные определения сильно упрощены, хотя и объясняют разницу между постоянным и переменным электротоком. Для лучшего понимания, в чем заключается это различие, необходимо привести графическое изображение каждого из них, а также объяснить, как образуется переменная электродвижущая сила в источнике. Для этого обратимся к электротехнике, точнее ее теоретическим основам.
Виды электрического тока в быту
Для того, чтобы определить какой ток в розетке, нет необходимости изучать этот вопрос на уровне ВУЗа. Есть всего две разновидности напряжения — постоянное и переменное.
Ответ на вопрос какой ток в розетке переменный или постоянный является однозначным сейчас, но в начале ХХ века на эту тему спорили два великих изобретателя — Никола Тесла, поддерживавший идею переменного тока, и Томас Эдисон, выступавший за постоянный ток. В этот период мог быть в розетке постоянный или переменный ток, в зависимости от страны и схемы электроснабжения здания.
В конце концов победила точка зрения Теслы, а постоянный ток сейчас используется в основном в электроприводах, которые питаются от сети переменного тока через диодные или тиристорные выпрямители.
Интересно! В некоторых зданиях в Сан-Франциско в 2012 году сохранялись лифты, запитанные от сети постоянного тока. Это оборудование и подвод такого напряжения к зданиям сохранялись как раритет. В Нью-Йорке такие установки работали до 2007 года.
Постоянный ток
Международный символ этого напряжения DC — Direct Current (постоянный ток), а условное обозначение на электросхемах «—» или «=». Величина и полярность этого вида напряжения являются неизменными, а сила тока изменяется только при изменениях нагрузки. Этот вид электрического тока производится аккумуляторами, батарейками и элементами солнечных электростанций.
От сети постоянного тока работают двигатели трамваев, троллейбусов и другого электротранспорта. Эти электродвигатели имеют лучшие тяговые характеристики, чем двигатели переменного тока.
Информация! От постоянного напряжения работает бОльшая часть электронных схем, но они получают питание от сети переменного тока через встроенный или внешний блок питания с выпрямителем.
Переменный ток
Международное обозначение этого напряжения AC — Alternating Current (переменный ток), а условное обозначение на электросхемах «~» или «≈».
Величина и полярность переменного тока в сети всё время меняется. Частота этих изменений составляет 50Гц в Европе и некоторых других странах и 60Гц в США. Большинство бытовых и промышленных электроприборов изготавливаются для питания переменным напряжением.
Практически вся электроэнергия, используемая в быту и промышленности, является переменной. Для передачи на большие расстояния его повышают при помощи трансформаторов, а в конечной точке линии понижают до необходимой величины. Это позволяет уменьшить стоимость ЛЭП и потери. Для того, чтобы исключить колебания напряжения, для особоважных приборов устанавливаются стабилизаторы.
При увеличении напряжения и неизменной передаваемой мощности сила тока и сечение проводов пропорционально уменьшается. Если напряжение не повышать, то для подачи электроэнергии к потребителю необходимо использовать кабеля большого сечения, а передача на большие расстояния окажется невозможной. Вот почему в розетке переменный ток.
В домашней розетке два контакта — фазный и нулевой. В некоторых случаях к ним добавляется заземляющий. Это однофазное напряжение является частью трёхфазной системы. Она включает в себя три одинаковых сети. Напряжение в этих сетях сдвинуто по фазе на 120° друг относительно друга.
Вначале эта система была шестипроводной. В таком виде её изобрёл Никола Тесла. Позже М. О. Доливо-Добровольский усовершенствовал эту схему и предложил передавать трёхфазное напряжение по трём или чётырём проводам (L1, L2, L3, N). Он также показал преимущества трёхфазной системы электроснабжения перед схемами с другим числом фаз.
Параметры домашней электрической сети
Основными параметрами электричества являются его напряжение и частота. Стандартное напряжение для домашних электросетей — 220 вольт. Общепринятая частота — 50 герц. Однако в США используется другое значение частоты — 60 герц. Параметр частоты задается генерирующим оборудованием и является неизменным.
Напряжение в сети конкретного дома или квартиры может быть отличным от номинала (220 вольт). На данный показатель влияет техническое состояние оборудования, сетевые нагрузки, загруженность подстанции. В результате напряжение может отклоняться от заданного параметра в ту или другую сторону на 20–25 вольт.

Что такое электрический ток
Со школьной программы физики известно всем, что ток – это направленное движение электронов. Во всех электростанциях принцип образования электроэнергии одинаковый. Для этого необходимо, чтобы вращался вал роторной установки. По сути, это пучок меди, который расположен между двумя магнитами. Вращать вал можно при помощи воды, ветра, горячего воздуха (пара) и так далее. Вот почему электростанции делятся на виды: гидро-, ветро-, тепловые и так далее.
Для чего необходимы магниты? С их помощью электроны внутри меди начинают двигаться за счет образованного магнитного поля, образуя направленное движение, то есть, токовый поток. Чтобы выделять электроны, к меди подключают провод, который и отводит ток от установки.

Но почему ток, выработанный электростанцией, называется переменным? Все дело в изменении направления движения электронов. Существуют такие показатели, как частота тока и его напряжение. Так вот в отечественных электрических сетях токовая частота равна 50 Гц, а напряжение 220 вольт. Частота говорит о том, что за одну секунду ток меняет свое направление 50 раз, а соответственно заряды частиц с положительного на отрицательный. Что касается напряжения, то, по сути, это давление или напор электронов в сети.
Итак, переменный ток – это смена зарядов. Поэтому напряжение в течение одной секунды меняется от максимума до минимума и наоборот 50 раз, в сумме получается 100 раз. То оно становится максимальным (100%), то минимальным (0%). И этот цикл все время повторяется. Если напряжение в сети было всегда постоянным, да к тому же максимальным, то для его проводки потребовался бы электрический кабель огромного сечения. С переменным этого не нужно. Небольшого диаметра провод может передавать миллионы вольт.

Принцип работы переменного тока
Так что, отвечая на вопрос, какой ток в розетке, нужно знать, почему он переменный, а не постоянный. И все же, почему постоянный ток так называется. Во-первых, он никогда не меняет своего направления, не скачет и не имеет частоты. Во-вторых, он присутствует только в батарейках и аккумуляторах, а также в генераторных установках.
В розетке постоянный или переменный ток?
Виды тока.
Есть 2 вида тока — это постоянный и переменный.
- Постоянный ток — обладает определённым направлением передвижения заряженных частиц.
- Переменный ток — имеет свойство изменяться по направлению и величине.
Из генераторов электростанций поступает переменный ток. На трансформаторной станции он преобразуется в 380 вольт. Низковольтный участок подстанции выдает три фазы и нулевой провод, подключение потребителей происходит от одной из фаз и нулевого провода. В итоге в здание поступает переменный однофазный ток с напряжением 220 вольт. Электричество в жилой дом поступает на счетчик, а далее через автоматы на распределительные коробки в каждое помещение. В распределительных коробках проводка разводится по комнате для розеток и осветительных приборов.
Постоянный ток — используют: в аккумуляторных батареях, солнечные панели, термопары, в локальных сетях автомобильного и воздушного транспорта, в компьютерных электросхемах, автоматических системах, телевизионной аппаратуре.
Переменный ток — составляется около 90% от всей потребляемой электроэнергии, это связано с тем что его можно «транспортировать» на огромные расстояния, изменяя напряжение до нужных параметров.
Параметры домашней электрической сети.
Стандартное напряжение для домашних электросетей — 220 вольт, частота — 50 герц. Параметр частоты является неизменным, а вот напряжение в сети может быть отличаться, на него влияют: сетевые нагрузки, состояние оборудования, загруженность подстанции.
Токовая нагрузка.
Все розетки имеют допустимую токовую нагрузку, определить её можно по маркировке, к примеру обозначение «6A» указывает нам на максимальную силу тока в 6 ампер. У всех электроприборов есть технический паспорт, там обязательно указана потребляемая мощность. Не перегружайте розетки, это может привести к выходу оборудования из строя и пожару.
Методы измерения напряжения и тока.
Чтобы измерить показатели напряжения и тока нужно:
Индикатор напряжения — может быть:
- однополюсным — определяет фазу в розеточном контакте, но не обнаруживает наличие или отсутствие нуля.
- двухполюсным — показывает ток между фазами, а также между нулем и фазой.
Мультиметр — проводит измерения любого типа тока, присутствующего в розетке и проверяет уровень напряжения.
Методы измерения напряжения и тока
Чтобы измерить показатели напряжения и тока применяются следующие способы:
- Наиболее простой метод — подключение к розетке электрического прибора соответствующего напряжения. Если в розетке есть ток, электроприбор будет функционировать.
- Индикатор напряжения. Это приспособление может быть однополюсным и представлять собой специальную отвертку. Также выпускаются двухполюсные индикаторы с парой контакторов. Однополюсное устройство определяет фазу в розеточном контакте, но не обнаруживает наличие или отсутствие нуля. Двухполюсный же индикатор показывает ток между фазами, а также между нулем и фазой.
- Мультиметр (мультитестер). С помощью специального тестера проводятся измерения любого типа тока, присутствующего в розетке — как переменного, так и постоянного. Также мультиметром проверяют уровень напряжения.
- Контрольная лампа. С помощью лампы определяют наличие электричества в розетке при условии, что лампочка в контрольном приборе соответствует напряжению в тестируемой розетке.
Перечисленной выше информации вполне достаточно для общего понимания принципов организации электрической сети в доме. Приступать к проведению любых электротехнических работ следует только с соблюдением всех мер безопасности и при наличии соответствующей квалификации.
Люди давно привыкли к благам электричества и многим все равно, какой ток в розетке. На планете 98% вырабатываемой электроэнергии – это переменный ток. Его намного легче производить и передавать на значительные расстояния, чем постоянный. При этом напряжение может многократно изменяться по величине в сторону понижения и повышения. Сила тока существенно влияет на потери в проводах.
Передача электроэнергии на расстояние
Параметры домашней сети всегда известны: переменный ток, напряжение 220 вольт и частота 50 герц.
Они подходят преимущественно для электродвигателей, холодильников и пылесосов, а также ламп накаливания и многих других приборов. Многие потребители работают при постоянном напряжении в 6-12 вольт. Особенно это относится к электронике. Но питание приборов должно приводиться к одному типу. Поэтому для всех потребителей ток в розетке должен быть переменным, с одним напряжением и частотой.
В чём разница переменного и постоянного тока
Общее понятие электрического тока можно выразить как движение различных заряженных частиц (электронов, ионов) в некотором направлении. А его величину охарактеризовать числом заряженных частиц, которые прошли через проводник за определенный промежуток времени.
Если величина заряженных частиц в 1 кулон проходит через определенное сечение проводника за время в 1 секунду, тогда можно говорить о силе тока в 1 ампер протекающего через проводник. Таким образом определяется количество ампер или сила тока. Это общее понятие тока. А теперь рассмотрим понятие переменного и постоянного тока и их различие.
Постоянный электрический ток по определению — это ток, который течёт только в одном направлением и не меняет его со временем. Переменный ток характерен тем, что меняет свое направление и величину со временем. Если графически постоянный ток отображается как прямая линия, то переменный ток течет по проводнику по закону синуса и графически отображается как синусоида.
Графическое изображение постоянного тока
Так как переменный ток меняется по закону синусоиды, то он имеет такие параметры как период полного цикла, время которого обозначается буквой Т. Частота переменного тока обратна периоду полного цикла. Частота переменного тока выражается числом полных периодов в определенный промежуток времени (1 сек).
Графическое изображение переменного тока
Таких периодов в нашей электросети переменного тока равно 50, что соответствует частоте 50 Гц. F = 1/Т, где период для 50 Гц равен 0,02 сек. F =1/0,02 = 50 Гц. Обозначается переменный ток английскими буквами AC и знаком «~». Постоянный ток имеет обозначение DC и значок «-». Кроме того переменный ток может быть однофазным или многофазным. В основном используется трехфазная сеть.
Требования к штепсельным соединениям
Для подключения электроприбора к сети розетка с вилкой являются соответственно источником и приемником энергии, образуя штепсельное соединение. К нему предъявляются следующие требования.
Надежный контакт. Слабое соединение приводит к разогреву и выходу его из строя
Важно также обеспечить надежную фиксацию от самопроизвольного отключения. Здесь удобно применять пружинящие контакты в розетке.
Изоляция токонесущих частей друг от друга.
Защита от прикосновения руками или разными предметами к деталям, находящимся под напряжением
Для защиты от детей в розетках предусматриваются специальные шторки, открывающиеся только тогда, когда вставляется вилка.
Обеспечение полярности при подключении. Это важно, если через соединение течет постоянный ток или устройство применяется в сочетании с однополюсным выключателем. Конструкция розетки не допускает неправильного подключения.
Наличие заземления для приборов 1 класса защиты. В розетках важно правильно подключить заземление.
Параметры для измерения
Мультитестер позволяет не только выяснить, какое напряжение в розетке, но и произвести следующие типы измерений:
- показатель переменного и постоянного напряжения и тока;
- электрическое сопротивление;
- емкость;
- температура;
- частота;
- характеристики диодов и транзисторов.
Измерения позволяют получить большой объем нужной информации. К примеру, проверив напряжение в батарейке, можно сделать вывод об остатке ее рабочего ресурса. Другой пример: новая лампа не горит, а после проверки напряжения оказывается, что проблема в электропроводке. Мультиметр поможет и в ситуации, когда нужно удостовериться, что электричество действительно отключено во всей квартире (при проведении электромонтажных работ).















































